Série W. Rolos de rastreamento de rastreamento
Série W. Rolos de rastreamento de rastreamento
Série W. Rolos de rastreamento de rastreamento

Série W.

Os rolamentos orbitais da série W são rolamentos de precisão especialmente projetados para suportar cargas altas e condições de trabalho extremas. Eles são amplamente utilizados em ferrovias, mineração e máquinas pesadas e outros campos. A principal característica desse tipo de rolamento é o uso de rolos como elementos rolantes. Comparado aos rolamentos tradicionais de esferas, os rolos podem fornecer uma área de contato maior, com maior capacidade de carga de carga e melhor resistência à deformação. Os rolamentos de rolos orbitais da série W geralmente são feitos de aço de alta resistência, e a superfície tem sido especialmente tratada como tendo boa resistência ao desgaste e resistência à corrosão. Além disso, eles foram projetados para reduzir o atrito e o ruído, melhorar a eficiência operacional e prolongar a vida útil do serviço. O design diversificado dos produtos da série W permite que eles se adaptem às necessidades de diferentes ambientes de trabalho e garantam operação eficiente e estável do equipamento.

Enviar Consulta

Parâmetros do Produto

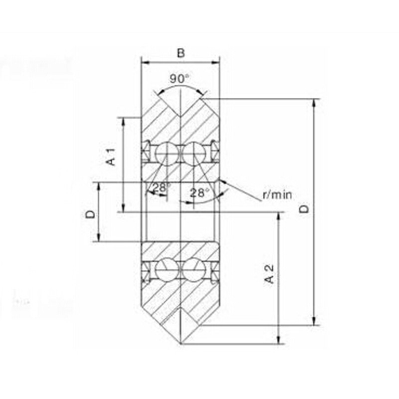
Tipo Dimensões (mm) Chanfro (r/min) Carga (KN)
d D B A1 A2
W0 4 14.84 6.35 5.94 9.12 0.3 1
W0X 4 14.84 6.35 5.94 9.12 0.3 1
W1 4.763 19.56 7.87 7.9. 11.86 0.3 2.2
W1X 4.763 19.56 7.87 7.93 11.86 0.3 2.2
W2 9.525 30.73 11.1 12.7 18.24 0.3 4.9
W2X 9.525 30.73 11.1 12.7 18.24 0.3 4.9
W3 12 45.72 15.88 19.05 26.98 0.6 9.4
W3X 12 45.72 15.88 19.05 26.98 0.6 9.4
W4 15 59.94 19.05 25.4 34.93 1 14.8
W4X 15 59.94 19.05 25.4 34.93 1 14.8
W4xl 22 75.39 25.4 31.75 44.45 1.1 20.6
W4xxl 22 75.39 25.4 31.75 44.45 1.1 20.6
W1ssx 4.763 19.56 7.87 7.93 11.86 0.3 2.2
W2SSX 9.525 30.73 11.1 12.7 18.24 0.3 4.9
W3SSX 12 45.72 15.88 19.05 26.98 0.6 9.4
W4SSX 15 59.94 19.05 25.4 34.93 1 14.8

Sobre Yinin

Shanghai Yinin Rolice and Transmission Company Fundada em 2009, com mais de 20 anos de experiência na área dos rolamentos, somos um Fabricante Série W. Rolos de rastreamento de rastreamento Chinês e fornecemos Fábrica Série W. Rolos de rastreamento de rastreamento Personalizada. Desde 1999 que atuamos como representantes dos fabricantes chineses de rolamentos, exportando diversos tipos de rolamentos. Hoje, tornámo-nos um grupo abrangente de rolamentos, integrando vendas e fabrico.

Aplicações Industriais

Os rolamentos também desempenham um papel muito importante nas máquinas agrícolas. Eles são usado...

Os rolamentos são amplamente utilizados em automóveis. Eles são as principais partes de apoio e r...

Usado para suporte, altura, ângulo, junta e partes rotativas de equipamentos médicos.

Usado para apoio, rotação, motor e compressor de aparelhos domésticos.

Usado para rotação e movimento de suporte e guia partes do equipamento de automação

Nas estruturas de construção, os rolamentos podem ser usados ​​para conectar diferentes component...

No processo de produção de alimentos e bebidas, são necessárias bombas para transportar líquidos ...

Os rolamentos são usados ​​em aeronaves e motores de naves espaciais para suportar componentes ro...

Notícias e Informações

Saiba Mais

2025-10-30

Application and Selection Recommendations of Deep Groov...
The deep groove ball bearing is the workhorse of the electric motor industry, serving as a critical component in everything from small appliance motors to large industrial drives. Its versatility, rel...

2025-10-24

Deep Groove Ball Bearing Installation Direction and Pre...
Proper installation is the most critical factor determining the performance, accuracy, and service life of a deep groove ball bearing. Unlike tapered roller bearings, a common point of confusion surro...

2025-10-17

How to Judge the Service Life and Wear Degree of Deep G...
Deep groove ball bearings are among the most common and versatile bearing types, found in everything from small electric motors to heavy industrial machinery. Their reliability is critical, but like a...

Contate-nos

SUBMIT

Consultoria Técnica

  • Shanghai Yinin Rolice and Transmission Company

    Soluções Personalizadas

  • Shanghai Yinin Rolice and Transmission Company

    I&D Contínuo

  • Shanghai Yinin Rolice and Transmission Company

    Controlo de Qualidade

  • Shanghai Yinin Rolice and Transmission Company

    Suporte Técnico e Formação

  • Shanghai Yinin Rolice and Transmission Company

    Resposta Rápida

Se tiver alguma dúvida técnica ou feedback, forneceremos a resposta mais profissional possível!

Contate-nos