Série LFR Rolos de rastreamento de rastreamento
Série LFR Rolos de rastreamento de rastreamento
Série LFR Rolos de rastreamento de rastreamento

Série LFR

Os rolamentos de rolos orbitais da série LFR são especialmente projetados para requisitos de alta e alto desempenho e são amplamente utilizados em máquinas de engenharia, equipamentos de mineração, equipamentos pesados ​​e outros campos. Esta série de rolamentos usa materiais especiais e processos avançados de fabricação para ter excelente capacidade de carga e resistência ao desgaste, o que pode efetivamente reduzir o atrito e o consumo de energia e prolongar a vida útil do serviço. A série LFR possui uma variedade de especificações e tipos para atender às necessidades de diferentes ambientes de aplicativos. Além disso, seu design exclusivo facilita a instalação e a manutenção, reduzindo o tempo de inatividade do equipamento. Seja em ambientes altíssimos, úmidos ou empoeirados, os rolamentos orbitais da série LFR têm um bom desempenho, garantindo operação estável e desempenho eficiente do equipamento.

Enviar Consulta

Parâmetros do Produto

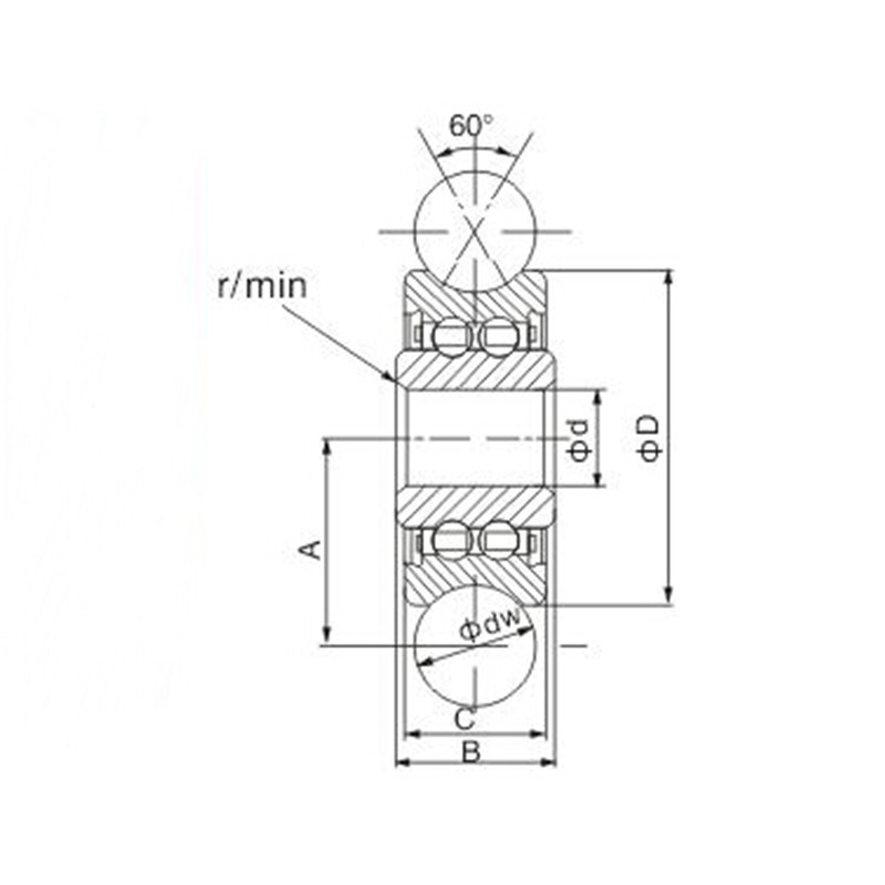
Tipo de roda Peso Dimensões (mm) Carga (KN)
UMlemanha Itália Modelo doméstico (g) dw d D C B A rs Cw Vaca
LFR 50/5-4 n 4 5 16 7 5 18 6.9 0 2.02 0.93 8
LFR 50/5-5 5 5 17 7 5 20 6.9 0 2.02 0.93 8
LFR 50/5 n 6 5 17 7 5 21 6.9 0 2.02 0.93 8
LFR 50/8 n 6 8 24 11 7 28 12.3 0 3.67 2.28 25
LFR 50/8-8 n 8 8 24 11 7 29 12.3 0 3.67 2.28 25
LFR 50/4 NPP - - 3.5 5 4 13 6 7 8.04 0.2 1.05 0.85
LFR 50/5-4 KDD LFR50/5KDD-4 R 50/5-4 ZZ 7.5 4 5 16 7 8 9 0.2 1.2 0.86
LFR 50/5-4 NPP LFR50/5NPP-4 R 50/5-4 2rs 7.5 4 5 16 7 8 9 0.2 1.2 0.86
LFR 50/5 kdd LFR50/5KDD R 50/5-6 ZZ 8 6 5 17 7 8 10.5 0.2 1.27 0.82
LFR 50/5 NPP LFR50/5NPP R 50/5-6 2rs 8 6 5 17 7 8 10.5 0.2 1.27 0.82
LFR 50/8 KDD LFR50/8KDD R 50/8-6 ZZ 24 6 8 24 11 11 14 0.3 3.67 2.28
LFR 50/8 NPP LFR50/8NPP R 50/8-6 2rs 24 6 8 24 11 11 14 0.3 3.67 2.28
LFR 50/8-8 KDD - - 24 8 8 24 11 11 14.8 0.3 3.67 2.28
LFR 50/8-8 NPP - - 24 8 8 24 11 11 14.8 0.3 3.67 2.28
LFR 30/8 KDD - - 31 10 8 27 11 13 16.7 0.3 3.67 2.28
LFR 30/8 NPP - - 31 10 8 27 11 13 16.7 0.3 3.67 2.28
LFR 5201 KDD LFR5201KDD R 5201-10 ZZ 68 10 12 35 16 16 20.7 0.3 8.5 5.1
LFR 5201 NPP LFR5201NPP R 5201-10 2rs 68 10 12 35 16 16 20.7 0.3 8.5 5.1
LFR 5301 KDD LFR5301KDD R 5301-10 ZZ 130 10 12 42 19 19 24 0.6 13 7.7
LFR 5301 NPP LFR5301NPP R 5301-10 2rs 130 10 12 42 19 19 24 0.6 13 7.7
LFR 5301-20 KDD - - 125 20 12 42 19 19 28 0.6 13 7.7
LFR 5301-20 NPP - - 125 20 12 42 19 19 28 0.6 13 7.7
LFR 5302 KDD LFR5302KDD R 5302-10 ZZ 163 10 15 47 19 19 26.7 1 16.2 9.2
LFR 5302 NPP LFR5302NPP R 5302-10 2rs 163 10 15 47 19 19 26.7 1 16.2 9.2
LFR 5201-12 KDD LFR5201-12KDD R 5201-12 ZZ 68 12 12 35 16 16 21.8 0.3 8.4 5
LFR 5201-12 NPP LFR5201-12NPP R 5201-12 2rs 68 12 12 35 16 16 21.8 0.3 8.4 5
LFR 5201-14 KDD LFR5201-14KDD R 5201-14 ZZ 107 14 12 40 18 20 24 0.3 8.9 5
LFR 5201-14 NPP LFR5201-14NPP R 5201-14 2rs 107 14 12 40 18 20 24 0.3 8.9 5
LFR 5201-10,40 KDD - - 115 10 12 40 18 20 22 0.3 8.9 5
LFR 5201-10.40 NPP - - 115 10 12 40 18 20 22 0.3 8.9 5
LFR 5204-16 KDD* LFR5204-16KDD R 5204-16 ZZ 195 16 20 52 21 23 31.5 0.6 16.8 9.5
LFR 5204-16 NPP* LFR5204-16NPP R 5204-16 2rs 195 16 20 52 21 23 31.5 0.6 16.8 9.5
LFR 5206-20 KDD* LFR5206-20KDD R 5206-20 ZZ 435 20 25 72 24 26 41 0.6 29.5 16.6
LFR 5206-20 NPP* LFR5206-20NPP R 5206-20 2rs 435 20 25 72 24 26 41 0.6 29.5 16.6
LFR 5206-25 KDD* LFR5206-25KDD R 5206-25 ZZ 425 25 25 72 24 26 43.5 0.6 29.2 16.4
LFR 5206-25 NPP* LFR5206-25NPP R 5206-25 2rs 425 25 25 72 24 26 43.5 0.6 29.2 16.4
LFR 5207-30 KDD* LFR5207-30KDD R 5207-30 ZZ 660 30 30 80 27 29 51 1 38 20.8
LFR 5207-30 NPP* LFR5207-30NPP R 5207-30 2RS 660 30 30 80 27 29 51 1 38 20.8
LFR 5208-40 KDD* LFR5208-40KDD R 5208-40 ZZ 1360 40 40 98 36 38 62.5 1 54.8 29
LFR 5208-40 NPP* LFR5208-40NPP R 5208-40 2RS 1360 40 40 98 36 38 62.5 1 54.8 29
LFR 5308-50 KDD* LFR5308-50KDD R 5308-50 ZZ 1400 50 40 ## 44 46 72.5 1.1 53 39.5
LFR 5308-50 NPP* LFR5308-50NPP R 5308-50 2RS 1400 50 40 ## 44 46 72.5 1.1 53 39.5

Sobre Yinin

Shanghai Yinin Rolice and Transmission Company Fundada em 2009, com mais de 20 anos de experiência na área dos rolamentos, somos um Fabricante Série LFR Rolos de rastreamento de rastreamento Chinês e fornecemos Fábrica Série LFR Rolos de rastreamento de rastreamento Personalizada. Desde 1999 que atuamos como representantes dos fabricantes chineses de rolamentos, exportando diversos tipos de rolamentos. Hoje, tornámo-nos um grupo abrangente de rolamentos, integrando vendas e fabrico.

Aplicações Industriais

Os rolamentos também desempenham um papel muito importante nas máquinas agrícolas. Eles são usado...

Os rolamentos são amplamente utilizados em automóveis. Eles são as principais partes de apoio e r...

Usado para suporte, altura, ângulo, junta e partes rotativas de equipamentos médicos.

Usado para apoio, rotação, motor e compressor de aparelhos domésticos.

Usado para rotação e movimento de suporte e guia partes do equipamento de automação

Nas estruturas de construção, os rolamentos podem ser usados ​​para conectar diferentes component...

No processo de produção de alimentos e bebidas, são necessárias bombas para transportar líquidos ...

Os rolamentos são usados ​​em aeronaves e motores de naves espaciais para suportar componentes ro...

Notícias e Informações

Saiba Mais

2025-10-30

Application and Selection Recommendations of Deep Groov...
The deep groove ball bearing is the workhorse of the electric motor industry, serving as a critical component in everything from small appliance motors to large industrial drives. Its versatility, rel...

2025-10-24

Deep Groove Ball Bearing Installation Direction and Pre...
Proper installation is the most critical factor determining the performance, accuracy, and service life of a deep groove ball bearing. Unlike tapered roller bearings, a common point of confusion surro...

2025-10-17

How to Judge the Service Life and Wear Degree of Deep G...
Deep groove ball bearings are among the most common and versatile bearing types, found in everything from small electric motors to heavy industrial machinery. Their reliability is critical, but like a...

Contate-nos

SUBMIT

Consultoria Técnica

  • Shanghai Yinin Rolice and Transmission Company

    Soluções Personalizadas

  • Shanghai Yinin Rolice and Transmission Company

    I&D Contínuo

  • Shanghai Yinin Rolice and Transmission Company

    Controlo de Qualidade

  • Shanghai Yinin Rolice and Transmission Company

    Suporte Técnico e Formação

  • Shanghai Yinin Rolice and Transmission Company

    Resposta Rápida

Se tiver alguma dúvida técnica ou feedback, forneceremos a resposta mais profissional possível!

Contate-nos