51400 Series Rolamento de esfera de impulso
51400 Series Rolamento de esfera de impulso
51400 Series Rolamento de esfera de impulso

51400 Series

O rolamento de esferas de empuxo da série 51400 é um rolamento especialmente projetado para suportar cargas de empuxo. Eles geralmente consistem em dois anéis (interno e externo) e um conjunto de bolas que fornecem suporte rolante entre os anéis interno e externo. Esta série de rolamentos possui excelente capacidade de carga e resistência ao desgaste e é adequada para aplicações de alta e baixa velocidade. Os rolamentos de esferas de empuxo da série 51400 são amplamente utilizados em automóveis, fabricação de máquinas, aviação e outras indústrias, e podem efetivamente reduzir o atrito e melhorar a eficiência operacional do equipamento. Além disso, esse tipo de rolamento é relativamente simples de instalar e manter, pode manter um bom desempenho em altas temperaturas e ambientes corrosivos e é um componente indispensável em vários tipos de equipamentos mecânicos. Ao selecionar modelos e especificações apropriados, os usuários podem atender às diferentes necessidades de aplicativos e garantir a estabilidade e a confiabilidade do equipamento.

Enviar Consulta

Parâmetros do Produto

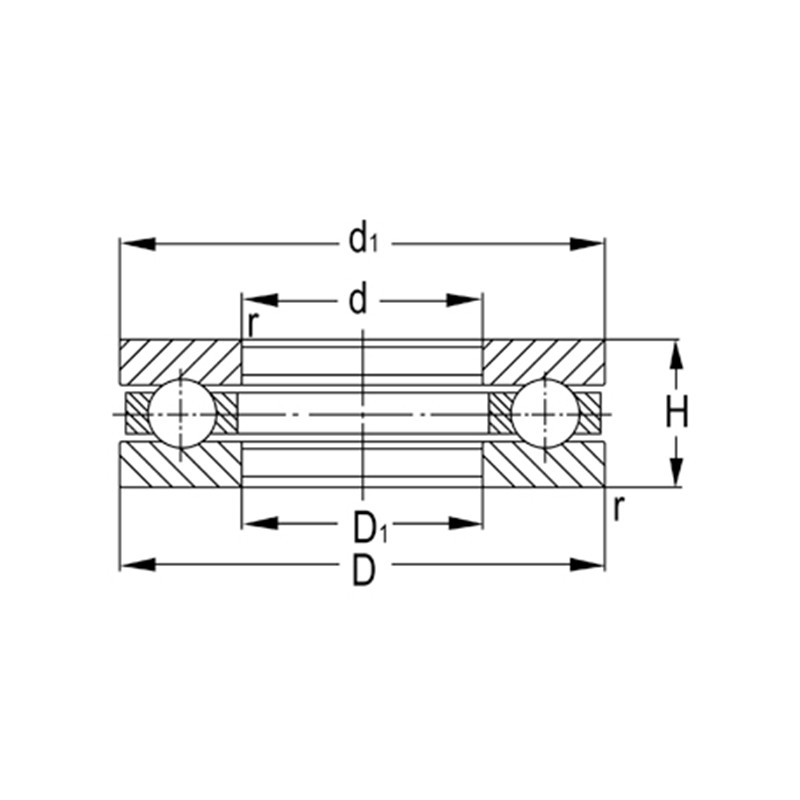
Designação Dimensões principais (mm) Classificações básicas de carga (KN) Velocidade limitada (rpm) Peso
d D T Dinâmico (CR) Estático (cor) Graxa Óleo (kg)
51405 25 60 24 55.5 89.2 2200 3400 0.31
51406 30 70 28 72.5 125 1900 3000 0.51
51407 35 80 32 86.8 155 1700 2600 0.76
51408 40 90 36 112 205 1500 2200 1.06
51409 45 100 39 140 262 1400 2000 1.41
51410 50 110 43 160 302 1300 1900 1.86
51411 55 120 48 182 355 1100 1700 2.51
51412 60 130 51 200 395 1000 1600 3.08
51413 65 140 56 215 448 900 1400 3.91
51414 70 150 60 255 560 850 1300 4.85
51415 75 160 65 268 615 800 1200 6.08
51416 80 170 68 292 692 750 1100 7.12
51417 85 180 72 318 782 700 1000 8.28

Sobre Yinin

Shanghai Yinin Rolice and Transmission Company Fundada em 2009, com mais de 20 anos de experiência na área dos rolamentos, somos um Fabricante 51400 Series Rolamento de esfera de impulso Chinês e fornecemos Fábrica 51400 Series Rolamento de esfera de impulso Personalizada. Desde 1999 que atuamos como representantes dos fabricantes chineses de rolamentos, exportando diversos tipos de rolamentos. Hoje, tornámo-nos um grupo abrangente de rolamentos, integrando vendas e fabrico.

Aplicações Industriais

Os rolamentos também desempenham um papel muito importante nas máquinas agrícolas. Eles são usado...

Os rolamentos são amplamente utilizados em automóveis. Eles são as principais partes de apoio e r...

Usado para suporte, altura, ângulo, junta e partes rotativas de equipamentos médicos.

Usado para apoio, rotação, motor e compressor de aparelhos domésticos.

Usado para rotação e movimento de suporte e guia partes do equipamento de automação

Nas estruturas de construção, os rolamentos podem ser usados ​​para conectar diferentes component...

No processo de produção de alimentos e bebidas, são necessárias bombas para transportar líquidos ...

Os rolamentos são usados ​​em aeronaves e motores de naves espaciais para suportar componentes ro...

Notícias e Informações

Saiba Mais

2025-10-30

Application and Selection Recommendations of Deep Groov...
The deep groove ball bearing is the workhorse of the electric motor industry, serving as a critical component in everything from small appliance motors to large industrial drives. Its versatility, rel...

2025-10-24

Deep Groove Ball Bearing Installation Direction and Pre...
Proper installation is the most critical factor determining the performance, accuracy, and service life of a deep groove ball bearing. Unlike tapered roller bearings, a common point of confusion surro...

2025-10-17

How to Judge the Service Life and Wear Degree of Deep G...
Deep groove ball bearings are among the most common and versatile bearing types, found in everything from small electric motors to heavy industrial machinery. Their reliability is critical, but like a...

Contate-nos

SUBMIT

Consultoria Técnica

  • Shanghai Yinin Rolice and Transmission Company

    Soluções Personalizadas

  • Shanghai Yinin Rolice and Transmission Company

    I&D Contínuo

  • Shanghai Yinin Rolice and Transmission Company

    Controlo de Qualidade

  • Shanghai Yinin Rolice and Transmission Company

    Suporte Técnico e Formação

  • Shanghai Yinin Rolice and Transmission Company

    Resposta Rápida

Se tiver alguma dúvida técnica ou feedback, forneceremos a resposta mais profissional possível!

Contate-nos