51200 Series Rolamento de esfera de impulso
51200 Series Rolamento de esfera de impulso
51200 Series Rolamento de esfera de impulso

51200 Series

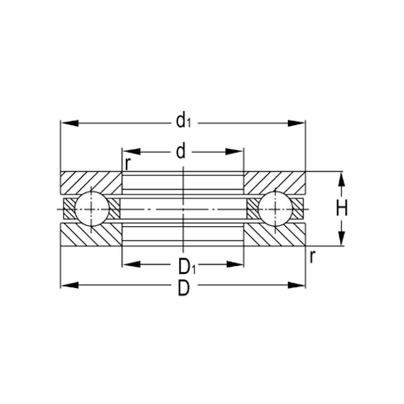
O rolamento de esferas de empuxo da série 51200 é um rolamento de rolamento especialmente projetado para suportar a carga axial. Geralmente consiste em uma ou mais esferas e duas raças de rolamento. Esse tipo de rolamento é usado principalmente em aplicações que precisam suportar grandes forças axiais, como equipamentos mecânicos, automóveis, aeroespacial e outros campos. As bolas da série 51200 são feitas de materiais de alta resistência, que têm boa resistência ao desgaste e resistência à compressão e podem manter um desempenho estável durante a operação de alta velocidade. Possui uma estrutura compacta e é fácil de instalar, tornando -o adequado para uso em espaços limitados. Devido ao seu desempenho e confiabilidade superiores, os rolamentos de esferas da série 51200 são amplamente utilizados na produção industrial e em máquinas diárias.

Enviar Consulta

Parâmetros do Produto

Designação Dimensões principais (mm) Classificações básicas de carga (KN) Velocidade limitada (rpm) Peso
d D T Dinâmico (CR) Estático (cor) Graxa Óleo (kg)
51203 17 35 12 17 27.2 4500 6300 0.048
51204 20 40 14 22.2 37.5 3800 5300 0.075
51205 25 47 15 27.8 50.5 3400 4800 0.11
51206 30 52 16 28 54.2 3200 4500 0.13
51207 35 62 18 39.2 78.2 2800 4000 0.21
51208 40 68 19 47 98.2 2400 3600 0.26
51209 45 73 20 47.8 105 2200 3400 0.3
51210 50 78 22 48.5 112 2000 3200 0.37
51211 55 90 25 67.5 158 1900 3000 0.58
51212 60 95 26 73.5 178 1800 2800 0.66
51213 65 100 27 74.8 188 1700 2600 0.72
51214 70 105 27 73.5 188 1600 2400 0.75
51215 75 110 27 74.8 198 1500 2200 0.82
51216 80 115 28 83.8 222 1400 2000 0.9
51217 85 125 31 102 280 1300 1900 1.21
51218 90 135 35 115 315 1200 1800 1.65
51220 100 150 38 132 375 1100 1700 2.21
51222 110 160 38 138 412 1000 1600 2.39

Sobre Yinin

Shanghai Yinin Rolice and Transmission Company Fundada em 2009, com mais de 20 anos de experiência na área dos rolamentos, somos um Fabricante 51200 Series Rolamento de esfera de impulso Chinês e fornecemos Fábrica 51200 Series Rolamento de esfera de impulso Personalizada. Desde 1999 que atuamos como representantes dos fabricantes chineses de rolamentos, exportando diversos tipos de rolamentos. Hoje, tornámo-nos um grupo abrangente de rolamentos, integrando vendas e fabrico.

Aplicações Industriais

Os rolamentos também desempenham um papel muito importante nas máquinas agrícolas. Eles são usado...

Os rolamentos são amplamente utilizados em automóveis. Eles são as principais partes de apoio e r...

Usado para suporte, altura, ângulo, junta e partes rotativas de equipamentos médicos.

Usado para apoio, rotação, motor e compressor de aparelhos domésticos.

Usado para rotação e movimento de suporte e guia partes do equipamento de automação

Nas estruturas de construção, os rolamentos podem ser usados ​​para conectar diferentes component...

No processo de produção de alimentos e bebidas, são necessárias bombas para transportar líquidos ...

Os rolamentos são usados ​​em aeronaves e motores de naves espaciais para suportar componentes ro...

Notícias e Informações

Saiba Mais

2025-10-30

Application and Selection Recommendations of Deep Groov...
The deep groove ball bearing is the workhorse of the electric motor industry, serving as a critical component in everything from small appliance motors to large industrial drives. Its versatility, rel...

2025-10-24

Deep Groove Ball Bearing Installation Direction and Pre...
Proper installation is the most critical factor determining the performance, accuracy, and service life of a deep groove ball bearing. Unlike tapered roller bearings, a common point of confusion surro...

2025-10-17

How to Judge the Service Life and Wear Degree of Deep G...
Deep groove ball bearings are among the most common and versatile bearing types, found in everything from small electric motors to heavy industrial machinery. Their reliability is critical, but like a...

Contate-nos

SUBMIT

Consultoria Técnica

  • Shanghai Yinin Rolice and Transmission Company

    Soluções Personalizadas

  • Shanghai Yinin Rolice and Transmission Company

    I&D Contínuo

  • Shanghai Yinin Rolice and Transmission Company

    Controlo de Qualidade

  • Shanghai Yinin Rolice and Transmission Company

    Suporte Técnico e Formação

  • Shanghai Yinin Rolice and Transmission Company

    Resposta Rápida

Se tiver alguma dúvida técnica ou feedback, forneceremos a resposta mais profissional possível!

Contate-nos