33200 Series Rolamento cônico do rolo
33200 Series Rolamento cônico do rolo
33200 Series Rolamento cônico do rolo

33200 Series

Série 33200 rolamentos de rolos cônicos são um tipo de rolamento comumente usado em aplicações pesadas e de alta precisão. Esse tipo de rolamento consiste em um anel interno, um anel externo, rolos e uma gaiola e possui excelente capacidade de carga e resistência ao desgaste. Seu design permite que o rolamento suporta cargas radiais e axiais durante a operação e é adequado para uso em automóveis, máquinas de engenharia, ferrovias e outros campos. Os rolos cônicos da série 33200 fornecem uma área de contato maior, melhorando assim a capacidade de carga e a estabilidade operacional. Esta série de rolamentos geralmente é feita de aço de liga de alta qualidade e possui excelente resistência ao calor e resistência à corrosão, garantindo sua confiabilidade em ambientes de trabalho severos. Além disso, o design padronizado dos 33200 rolamentos da série facilita a substituição e a manutenção e reduz os custos de uso.

Enviar Consulta

33200 rolamento de roletim cônico da série - alta carga, vida longa, soluções industriais de precisão

O 33200 rolamento de rolamento cônico da série é um rolamento rolante de alto desempenho e alta precisão, adequado para uma variedade de aplicações industriais e mecânicas. Seu design combina capacidade de carga radial e axial para suportar cargas altas e obter operação suave. Esta série de rolamentos é amplamente utilizada em equipamentos automotivos, industriais, aeroespacial, energia e outros campos.

1. Super Capacidade de carga
O projeto de contato otimizado do rolo e da costela melhora a uniformidade da distribuição de carga e aumenta a capacidade de carga dinâmica em 20% em comparação com os rolamentos padrão.
Adequado para ambientes de carga de choque e vibração (como máquinas de mineração, caminhões pesados).

2. Vida de serviço estendida
O processo especial de tratamento térmico (tecnologia de carbonitro) aumenta a dureza da superfície (HRC 60) e aumenta a vida útil da fadiga em 30%.
As opções de revestimento à prova de ferrugem (como fosfatação ou revestimento de zinco) são adequadas para ambientes úmidos ou corrosivos.

3. Operação de precisão e baixo consumo de energia
A precisão do nível ISO P5 (P4 opcional) reduz a perda de atrito e ajuda o equipamento a economizar energia em até 15%.
Projeto de pré-carga ajustável para atender aos requisitos de transmissão de alta precisão (como eixos de máquina-ferramenta).

4. Adaptabilidade multifuncional
Forneça tamanhos imperiais e métricos (como 33205, 33206, 33212, etc.), compatíveis com marcas convencionais e modelos intercambiáveis.
Suporte a personalização (selos, graxa, materiais).

Áreas de aplicação
Indústria automotiva: usada para diferenciais automotivos, caixas de câmbio, motores, etc.
Máquinas industriais: como máquinas -ferramentas, correias transportadoras, bombas, ventiladores, etc.
Equipamento de energia: como geradores, turbinas, compressores, etc.
Aeroespacial: usado para componentes -chave, como motores de aeronaves e artes de pouso.
Aparelhos domésticos: como máquinas de lavar, geladeiras, aparelhos de ar condicionado, etc.

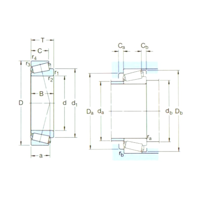
Parâmetros do Produto

Designumção Dimensões principais (mm) Classificações básicas de carga (KN) Pu Classificações de velocidade (rpm) Peso (kg) ISO335 Dimensões (mm) Dimensões de pilar e filete (mm) Valor
D1 D B DYC (CR) STC (COR) Classificações de velocidade Velocidade limitadora Dimensões (Abma) d D1 ~ B C R1,2 (min) R3,4 (min) a Da (Max) dB (min) Da (min) Da (Max) DB (min) CA (min) CB (min) RA (Max) RB (Max) e Y Yo
33205/q 25 52 22 54 56 6 10000 13000 0,23 2DE 25 38,6 22 18 1 1 14 30 31 43 46 49 4 4 1 1 0,35 1,7 0,9
33206/q 30 62 25 75 76,5 8,5 8500 11000 0,37 2DE 30 45,8 25 19,5 1 1 16 36 36 53 56 59 5 5,5 1 1 0,35 1,7 0,9
33208/QCL7C 40 80 32 120 132 15 6300 8500 0,77 2DE 40 59,7 32 25 1,5 1,5 21 47 47 67 73 76 5 7 1,5 1,5 0,35 1,7 0,9
33209/q 45 85 32 108 143 16,3 5300 7500 0,82 3DE 45 65,2 32 25 1,5 1,5 22 52 52 72 78 81 5 7 1,5 1,5 0,4 1,5 0,8
33210/q 50 90 32 114 160 18,3 5000 7000 0,90 3DE 50 70,7 32 24,5 1,5 1,5 23 57 57 77 83 87 5 7,5 1,5 1,5 0,4 1,5 0,8
33211/q 55 100 35 138 190 21,6 4500 6300 1,20 3DE 55 77,6 35 27 2 1,5 25 63 64 85 93 96 6 8 2 1,5 0,4 1,5 0,8
33212/q 60 110 38 168 236 26,5 4000 6000 1,60 3ee 60 85,3 38 29 2 1,5 27 69 68 93 103 105 6 9 2 1,5 0,4 1,5 0,8
33213/q 65 120 41 194 270 30,5 3800 5300 2,05 3ee 65 92,1 41 32 2 1,5 29 75 74 102 113 115 6 9 2 1,5 0,4 1,5 0,8
33213tn9/q 65 120 41 194 270 30,5 3800 5300 2,05 3ee 65 92,1 41 32 2 1,5 29 75 74 102 113 115 6 9 2 1,5 0,4 1,5 0,8
33214/q 70 125 41 201 285 32,5 3600 5000 2,10 3ee 70 97,2 41 32 2 1,5 30 79 78 107 115 120 6 9 2 1,5 0,4 1,5 0,8
33215/q 75 130 41 209 300 34 3400 4800 2,25 3ee 75 102 41 31 2 1,5 32 84 84 111 122 125 6 10 2 1,5 0,43 1,4 0,8
33216/q 80 140 46 251 375 41,5 3200 4500 2,90 3ee 80 110 46 35 2,5 2 35 89 90 119 130 135 7 11 2 2 0,43 1,4 0,8
33217/q 85 150 49 286 430 48 3000 4300 3,70 3ee 85 117 49 37 2,5 2 37 96 95 128 140 144 7 12 2 2 0,43 1,4 0,8
33219 95 170 58 374 560 62 2600 3800 5,50 3fe 95 132 58 44 3 2,5 42 107 107 144 158 163 9 14 2,5 2 0,40 1,5 0,8
33220 100 180 63 429 655 71 2400 3600 6,95 3fe 100 139 63 48 3 2,5 43 112 112 151 168 172 10 15 2,5 2 0,4 1,5 0,8
30332J2 160 340 75 913 1180 114 1500 2000 29,0 2 GB 160 233 68 58 5 4 61 201 180 290 323 310 9 17 4 3 0,35 1,7 0,9

Sobre Yinin

Shanghai Yinin Rolice and Transmission Company Fundada em 2009, com mais de 20 anos de experiência na área dos rolamentos, somos um Fabricante 33200 Series Rolamento cônico do rolo Chinês e fornecemos Fábrica 33200 Series Rolamento cônico do rolo Personalizada. Desde 1999 que atuamos como representantes dos fabricantes chineses de rolamentos, exportando diversos tipos de rolamentos. Hoje, tornámo-nos um grupo abrangente de rolamentos, integrando vendas e fabrico.

Aplicações Industriais

Os rolamentos também desempenham um papel muito importante nas máquinas agrícolas. Eles são usado...

Os rolamentos são amplamente utilizados em automóveis. Eles são as principais partes de apoio e r...

Usado para suporte, altura, ângulo, junta e partes rotativas de equipamentos médicos.

Usado para apoio, rotação, motor e compressor de aparelhos domésticos.

Usado para rotação e movimento de suporte e guia partes do equipamento de automação

Nas estruturas de construção, os rolamentos podem ser usados ​​para conectar diferentes component...

No processo de produção de alimentos e bebidas, são necessárias bombas para transportar líquidos ...

Os rolamentos são usados ​​em aeronaves e motores de naves espaciais para suportar componentes ro...

Notícias e Informações

Saiba Mais

2025-10-30

Application and Selection Recommendations of Deep Groov...
The deep groove ball bearing is the workhorse of the electric motor industry, serving as a critical component in everything from small appliance motors to large industrial drives. Its versatility, rel...

2025-10-24

Deep Groove Ball Bearing Installation Direction and Pre...
Proper installation is the most critical factor determining the performance, accuracy, and service life of a deep groove ball bearing. Unlike tapered roller bearings, a common point of confusion surro...

2025-10-17

How to Judge the Service Life and Wear Degree of Deep G...
Deep groove ball bearings are among the most common and versatile bearing types, found in everything from small electric motors to heavy industrial machinery. Their reliability is critical, but like a...

Contate-nos

SUBMIT

Consultoria Técnica

  • Shanghai Yinin Rolice and Transmission Company

    Soluções Personalizadas

  • Shanghai Yinin Rolice and Transmission Company

    I&D Contínuo

  • Shanghai Yinin Rolice and Transmission Company

    Controlo de Qualidade

  • Shanghai Yinin Rolice and Transmission Company

    Suporte Técnico e Formação

  • Shanghai Yinin Rolice and Transmission Company

    Resposta Rápida

Se tiver alguma dúvida técnica ou feedback, forneceremos a resposta mais profissional possível!

Contate-nos