33000 séries Rolamento cônico do rolo
33000 séries Rolamento cônico do rolo
33000 séries Rolamento cônico do rolo

33000 séries

O 33000 rolamentos cônicos de rolos cônicos da série é um rolamento rolante de alto desempenho amplamente usado para suportar cargas pesadas e cargas axiais. Esta série de rolamentos adota um design de rolo cônico, que pode efetivamente compartilhar cargas de várias direções e proporcionar maior rigidez e estabilidade. O design cônico dos anéis interno e externo aumenta a área de contato, melhorando assim a capacidade de carga e resistência ao desgaste. Esse tipo de rolamento é comumente usado em máquinas industriais, automóveis, ferrovias, aviação e outros campos, e é especialmente adequado para aplicações que requerem alta precisão e eficiência. Os rolamentos da série 33000 também têm boa resistência à temperatura e resistência à corrosão e podem operar em ambientes severos por um longo tempo. Por meio de lubrificação e manutenção razoáveis, sua vida útil pode ser significativamente estendida e os custos de manutenção podem ser reduzidos. As várias especificações desta série de rolamentos podem atender às necessidades de diferentes clientes e são amplamente utilizadas em vários tipos de equipamentos rotativos.

Enviar Consulta

33000 série rolante cônica - alta precisão e vida longa industrial

33000 rolamentos cônicos de rolos cônicos da série é um rolamento rolante de alta precisão e alta carga, adequado para uma variedade de aplicações industriais e mecânicas. Esta série de rolamentos adota o design cônico de rolos e pistas cônicas, pode suportar cargas radiais e axiais ao mesmo tempo e tem boa estabilidade e durabilidade.


Vantagens do produto

Alta capacidade de carga
O mancal de rolos cônico da série 33000 adota uma estrutura de rolo cônica, que pode suportar grandes cargas radiais e axiais ao mesmo tempo e é adequado para condições de serviço pesado.

Alta precisão e longa vida
Esta série de rolamentos adota a tecnologia de fabricação de precisão para garantir alta precisão e longa vida útil. Seu tratamento de endurecimento da superfície e o projeto de distribuição de tensão otimizados melhoram a vida útil da fadiga e a confiabilidade do rolamento.

Vários modelos e especificações
Os rolamentos da série 33000 estão disponíveis em uma variedade de modelos e tamanhos para atender às necessidades de diferentes cenários de aplicação. Por exemplo, a série 33000 inclui 33000, 33001, 33002 e outros modelos, adequados para diferentes condições de carga e velocidade.

Serviço personalizável
Esta série de rolamentos suporta o serviço de personalização OEM, e os clientes podem personalizar de acordo com suas próprias necessidades, incluindo tamanho, material, tipo de vedação, etc.

Ampla gama de aplicações
Os rolamentos de rolos cônicos da série 33000 são amplamente utilizados em máquinas industriais, automóveis, máquinas agrícolas, bombas, ventiladores, elevadores, equipamentos metalúrgicos, máquinas de mineração e outros campos.

Vários tipos de vedação
Esta série de rolamentos fornece uma variedade de tipos de vedação, como Open, Z Type, 2Z tipo, tipo RS, tipo 2Rs, etc., para atender às necessidades de vedação em diferentes ambientes.

Múltiplas opções de material
Esta série de rolamentos pode usar uma variedade de materiais, como GCR15, aço rolante, etc., para garantir o desempenho sob diferentes condições de trabalho.


Aplicação do produto
Máquinas industriais: como máquinas -ferramentas, redutores, sistemas de transmissão, etc.
Automóveis: como motores, caixas de câmbio, sistemas de direção, etc.
Máquinas agrícolas: como colheitas, tratores, semeadores, etc.
Bombas e ventiladores: como bombas centrífugas, sopradores, compressores, etc.
Elevadores: como máquinas de tração, guia de sistemas ferroviários, etc.
Equipamento metalúrgico: como moinhos de rolagem, trituradores, transportadores, etc.
Máquinas de mineração: como escavadeiras, carregadores, trituradores, etc.

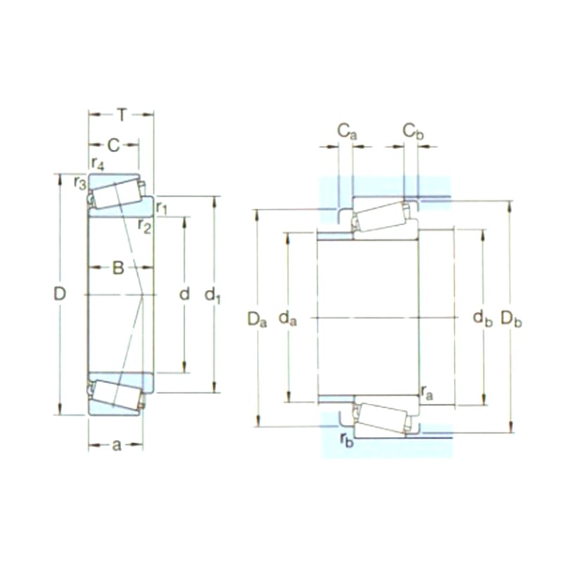
Parâmetros do Produto

Designumção Dimensões principais (mm) Classificações básicas de carga (KN) Pu Classificações de velocidade (rpm) Peso (kg) ISO335 Dimensões (mm) Dimensões de pilar e filete (mm) Valor
D1 D B DYC (CR) STC (COR) Classificações de velocidade Velocidade limitadora Dimensões (Abma) d D1 ~ B C R1,2 (min) R3,4 (min) a Da (Max) dB (min) Da (min) Da (Max) DB (min) CA (min) CB (min) RA (Max) RB (Max) e Y Yo
33010/q 50 80 24 80 102 11,4 6300 8000 0,4 5 2ce 50 64,9 24 19 1 1 17 56 56 72 74 76 4 5 1 1 0,31 1,9 1,1
33011/q 55 90 27 104 137 15,3 5600 7000 0,67 2ce 55 72,9 27 21 1,5 1,5 19 63 62 81 83 86 5 6 1,5 1,5 0,31 1,9 1,1
33012/q 60 95 27 106 143 16 5300 6700 0,71 2ce 60 77,1 27 21 1,5 1,5 20 67 67 85 88 90 5 6 1,5 1,5 0,33 1,8 1
33013/q 65 100 27 110 153 17,3 5000 6300 0,78 2ce 65 82,5 27 21 1,5 1,5 21 72 72 89 93 96 5 6 1,5 1,5 0,35 1,7 0,9
33014 70 110 31 130 196 22,8 4300 5600 1,10 2ce 70 88,8 31 25,5 1,5 1,5 23 78 77 99 103 105 5 5,5 1,5 1,5 0,28 2,1 1,1
33015/q 75 115 31 134 228 26 4000 5300 1,15 2ce 75 95 31 25,5 1,5 1,5 23 84 82 104 108 110 6 5,5 1,5 1,5 0,3 2 1,1
33016/q 80 125 36 168 285 32 3600 5000 1,65 2ce 80 102 36 29,5 1,5 1,5 26 90 87 112 117 119 6 6,5 1,5 1,5 0,28 2,1 1,1
33017/q 85 130 36 183 310 34,5 3600 4800 1,75 2ce 85 107 36 29,5 1,5 1,5 26 94 92 118 122 125 6 6,5 1,5 1,5 0,3 2 1,1
33018/q 90 140 39 216 355 39 3200 4500 2,20 2ce 90 113 39 32,5 2 1,5 27 100 98 127 132 135 7 6,5 2 1,5 0,27 2,2 1,3
33019/q 95 145 39 220 375 40,5 3200 4300 2,30 2ce 95 118 39 32,5 2 1,5 28 104 104 131 138 139 7 6,5 2 1,5 0,28 2,1 1,1
33020/q 100 150 39 224 390 41,5 3000 4000 2,40 2ce 100 122 39 32,5 2 1,5 29 109 108 135 142 143 7 6,5 2 1,5 0,3 2 1,1
33021/q 105 160 43 246 430 45,5 2800 3800 3,05 2DE 105 131 43 34 2,5 2 31 117 116 145 150 153 7 9 2 2 0,28 2,1 1,1
33022 110 170 47 281 500 53 2600 3600 3,85 2DE 110 139 47 37 2,5 2 34 123 121 152 160 161 7 10 2 2 0,28 2,1 1,1
33024 120 180 48 292 540 56 2600 3400 4,20 2DE 120 149 48 38 2,5 2 36 132 131 160 170 171 6 10 2 2 0,3 2 1,1
33030 150 225 59 457 865 86,5 2000 2600 8,15 2ee 150 188 59 46 3 2,5 48 164 162 200 213 217 8 13 2,5 2 0,37 1,6 0,9
31330XJ2 150 320 82 781 1020 100 1400 2000 29,5 7 GB 150 234 75 50 5 4 96 181 170 251 303 300 9 32 4 3 0,83 0,72 0,4

Sobre Yinin

Shanghai Yinin Rolice and Transmission Company Fundada em 2009, com mais de 20 anos de experiência na área dos rolamentos, somos um Fabricante 33000 séries Rolamento cônico do rolo Chinês e fornecemos Fábrica 33000 séries Rolamento cônico do rolo Personalizada. Desde 1999 que atuamos como representantes dos fabricantes chineses de rolamentos, exportando diversos tipos de rolamentos. Hoje, tornámo-nos um grupo abrangente de rolamentos, integrando vendas e fabrico.

Aplicações Industriais

Os rolamentos também desempenham um papel muito importante nas máquinas agrícolas. Eles são usado...

Os rolamentos são amplamente utilizados em automóveis. Eles são as principais partes de apoio e r...

Usado para suporte, altura, ângulo, junta e partes rotativas de equipamentos médicos.

Usado para apoio, rotação, motor e compressor de aparelhos domésticos.

Usado para rotação e movimento de suporte e guia partes do equipamento de automação

Nas estruturas de construção, os rolamentos podem ser usados ​​para conectar diferentes component...

No processo de produção de alimentos e bebidas, são necessárias bombas para transportar líquidos ...

Os rolamentos são usados ​​em aeronaves e motores de naves espaciais para suportar componentes ro...

Notícias e Informações

Saiba Mais

2025-10-30

Application and Selection Recommendations of Deep Groov...
The deep groove ball bearing is the workhorse of the electric motor industry, serving as a critical component in everything from small appliance motors to large industrial drives. Its versatility, rel...

2025-10-24

Deep Groove Ball Bearing Installation Direction and Pre...
Proper installation is the most critical factor determining the performance, accuracy, and service life of a deep groove ball bearing. Unlike tapered roller bearings, a common point of confusion surro...

2025-10-17

How to Judge the Service Life and Wear Degree of Deep G...
Deep groove ball bearings are among the most common and versatile bearing types, found in everything from small electric motors to heavy industrial machinery. Their reliability is critical, but like a...

Contate-nos

SUBMIT

Consultoria Técnica

  • Shanghai Yinin Rolice and Transmission Company

    Soluções Personalizadas

  • Shanghai Yinin Rolice and Transmission Company

    I&D Contínuo

  • Shanghai Yinin Rolice and Transmission Company

    Controlo de Qualidade

  • Shanghai Yinin Rolice and Transmission Company

    Suporte Técnico e Formação

  • Shanghai Yinin Rolice and Transmission Company

    Resposta Rápida

Se tiver alguma dúvida técnica ou feedback, forneceremos a resposta mais profissional possível!

Contate-nos