32200 Series Rolamento cônico do rolo
32200 Series Rolamento cônico do rolo
32200 Series Rolamento cônico do rolo

32200 Series

Os rolamentos de rolos cônicos da série 32200 são um importante tipo de rolamento amplamente utilizado em equipamentos industriais e mecânicos. O recurso de projeto desta série de rolamentos é que as superfícies de contato dos anéis interna e externa são cônicos, o que lhes permite suportar grandes cargas radiais e axiais e é adequado para operação sob alta carga e condições de alta velocidade. Os rolamentos da série 32200 geralmente são feitos de materiais de aço de liga de alta qualidade e têm boa resistência ao desgaste e resistência à fadiga, prolongando sua vida útil. Suas principais áreas de aplicação incluem automóveis, máquinas -ferramentas, equipamentos de mineração e outras máquinas pesadas. O tamanho e o design padronizados da série facilitam a instalação e a substituição, proporcionando conveniência para manutenção e gerenciamento de equipamentos.

Enviar Consulta

Parâmetros do Produto

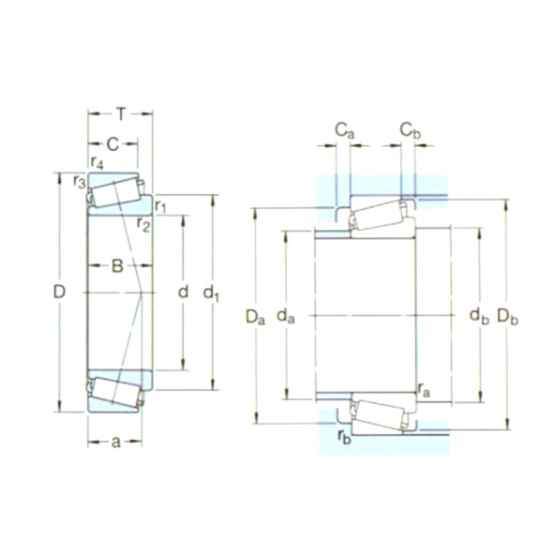
Designumção Dimensões principais (mm) Classificações básicas de carga (KN) Pu Classificações de velocidade (rpm) Peso (kg) ISO335 Dimensões (mm) Dimensões de pilar e filete (mm) Valor
D1 D B DYC (CR) STC (COR) Classificações de velocidade Velocidade limitadora Dimensões (Abma) d D1 ~ B C R1,2 (min) R3,4 (min) a Da (Max) dB (min) Da (min) Da (Max) DB (min) CA (min) CB (min) RA (Max) RB (Max) e Y Yo
32205BJ2/Q. 25 52 19,25 41,5 44 4,65 10000 13000 0,19 5cd 25 40,2 18 15 1 1 16 30 31 41 46 50 3 4 1 1 0,57 1,05 0,6
322/28BJ2/q 28 58 20,25 48 50 5,5 9500 12000 0,25 5dd 28 43,9 19 16 1 1 17 33 34 46 52 55 3 4 1 1 0,57 1,05 0,6
32206J2/q 30 62 21,25 58,5 57 6,3 9000 11000 0,28 3DC 30 45,2 20 17 1 1 15 37 36 52 56 58 3 4 1 1 0,37 1,6 0,9
32206BJ2/QCL7CVA606 30 62 21,25 56 58,5 6,55 9000 11000 0,30 5dc 30 47,3 20 17 1 1 18 36 36 50 56 60 3 4 1 1 0,57 1,05 0,6
32207J2/q 35 72 24,25 76,5 78 8,5 8000 9500 0,43 3DC 35 52,4 23 19 1,5 1,5 17 43 42 61 65 67 3 5 1,5 1,5 0,37 1,6 0,9
32208J2/Q. 40 80 24,75 85 86,5 9,8 7000 8500 0,53 3DC 40 58,4 23 19 1,5 1,5 19 49 47 68 73 75 3 5,5 1,5 1,5 0,37 1,6 0,9
32208BJ2/Q. 40 80 24,75 86,5 93 10,8 6700 8500 0,52 5dc 40 60,9 23 19 1,5 1,5 22 49 47 65 73 76 4 5,5 1,5 1,5 0,54 1,1 0,6
32209J2/Q. 45 85 24,75 91,5 98 11 6300 8000 0,58 3DC 45 64 23 19 1,5 1,5 20 54 52 73 78 80 3 5,5 1,5 1,5 0,4 1,5 0,8
32210/45BJ2/QVB022 45 90 24,75 95 104 12,2 6000 8000 0,65 - 45 68,5 23 19 1,5 0,3 21 58 52 78 87 85 3 5,5 1,5 0,3 0,6 1 0,6
32210J2/Q. 50 90 24,75 95 100 11,4 6000 7500 0,61 3DC 50 68,5 23 19 1,5 1,5 21 58 57 78 83 85 3 5,5 1,5 1,5 0,43 1,4 0,8
32211J2/q 55 100 26,75 106 129 15 5000 6700 0,83 3DC 55 75,2 25 21 2 1,5 22 64 64 87 93 95 4 5,5 2 1,5 0,4 1,5 0,8
32212J2/Q. 60 110 29,75 146 160 18,6 5000 6000 1,15 3EC 60 81,9 28 24 2 1,5 24 69 68 95 103 104 4 5,5 2 1,5 0,4 1,5 0,8
32212bj2/q 60 110 29,75 140 156 19 4800 6000 1,15 - 60 85,7 28 21 2 1,5 28 69 98 93 103 105 5 8,5 2 1,5 0,57 1,05 0,6
32213J2/Q. 65 120 32,75 151 193 22,8 4000 5600 1,50 3EC 65 90,3 31 27 2 1,5 27 76 74 104 113 115 4 5,5 2 1,5 0,4 1,5 0,8
32214J2/Q. 70 125 33,25 157 208 24,5 3800 5300 1,60 3EC 70 95 31 27 2 1,5 28 80 78 108 115 119 4 6 2 1,5 0,43 1,4 0,8
32215J2/Q. 75 130 33,25 161 212 24,5 3600 5000 1,70 4dc 75 100 31 27 2 1,5 29 85 84 114 122 125 4 6 2 1,5 0,43 1,4 0,8
32216J2/q 80 140 35,25 187 245 28,5 3400 4500 2,05 3EC 80 106 33 28 2,5 2 30 91 90 122 130 134 5 7 2 2 0,43 1,4 0,8
32217J2/q 85 150 38,5 212 285 33,5 3200 4300 2,60 3EC 85 113 36 30 2,5 2 33 97 95 130 140 142 5 8,5 2 2 0,43 1,4 0,8
32218J2/Q. 90 160 42,5 251 340 38 3000 4000 3,35 3fc 90 121 40 34 2,5 2 36 102 101 138 150 152 5 8,5 2 2 0,43 1,4 0,8
32219J2 95 170 45,5 281 390 43 2800 3800 4.05 3fc 95 128 43 37 3 2,5 39 109 107 145 158 161 5 8,5 2,5 2 0,43 1,4 0,8
32220J2 100 180 49 319 440 48 2600 3600 4,90 3fc 100 135 46 39 3 2,5 41 115 112 154 168 171 5 10 2,5 2 0,43 1,4 0,8
32221J2 105 190 53 358 510 55 2600 3400 6,00 3fc 105 143 50 43 3 2,5 44 120 117 161 178 180 6 10 2,5 2 0,43 1,4 0,8
32222J2 110 200 56 402 570 61 2400 3200 7,10 3fc 110 151 53 46 3 2,5 46 127 122 170 188 190 6 10 2,5 2 0,43 1,4 0,8
32322 110 240 84,5 627 830 86,5 1900 2800 17,0 2GD 110 168 80 65 4 3 55 137 125 198 226 222 9 19,5 3 2,5 0,35 1,7 0,9
32224J2 120 215 61,5 468 695 72 2200 3000 9,15 4fd 120 163 58 50 3 2,5 51 137 132 181 203 204 7 11,5 2,5 2 0,43 1,4 0,8
32226J2 130 230 67,75 550 830 85 2000 2800 11,5 4fd 130 176 64 54 4 3 56 146 146 193 216 219 7 13,5 3 2,5 0,43 1,4 0,8
32228J2 140 250 71,75 644 1000 100 1900 2600 14,5 4fd 140 191 68 58 4 3 60 159 156 210 236 238 8 13,5 3 2,5 0,43 1,4 0,8
32230J2 150 270 77 737 1140 112 1700 2400 17,5 4gd 150 205 73 60 4 3 64 171 166 226 256 254 8 17 3 2,5 0,43 1,4 0,8
32232J2 160 290 84 880 1400 132 1600 2200 25,5 4gd 160 221 80 67 4 3 70 183 176 242 275 274 10 17 3 2,5 0,43 1,4 0,8
32234J2 170 310 91 1010 1630 150 1500 2000 28,5 4gd 170 237 86 71 5 4 75 196 190 259 293 294 10 20 4 3 0,43 1,4 0,8
32236J2 180 320 91 1010 1630 150 1400 1900 29,5 4gd 180 247 86 71 5 4 78 204 200 267 303 303 10 20 4 3 0,44 1,35 0,8
32240J2 200 360 104 1210 2000 180 1300 1700 42,5 3GD 200 274 98 82 5 4 83 231 220 302 343 340 11 22 4 3 0,4 1,5 0,8
32244J2 220 400 114 1610 2700 232 1100 1500 60,0 - 220 306 108 90 5 4 95 253 242 334 383 379 13 24 4 3 0,43 1,4 0,8
32248J3 240 440 127 1790 3350 275 1000 1400 83,5 - 240 346 120 100 5 4 105 290 262 365 420 415 13 27 4 3 0,43 1,4 0,8
32252J2/HA1 260 480 137 2200 3650 300 900 1200 105 - 260 366 130 106 6 5 112 303 286 401 458 454 16 31 5 4 0,43 1,4 0,8
32260J2/HA1 300 540 149 2750 4750 365 800 1100 140 - 300 413 140 115 6 5 126 343 326 453 518 511 17 34 5 4 0,43 1,4 0,8

Sobre Yinin

Shanghai Yinin Rolice and Transmission Company Fundada em 2009, com mais de 20 anos de experiência na área dos rolamentos, somos um Fabricante 32200 Series Rolamento cônico do rolo Chinês e fornecemos Fábrica 32200 Series Rolamento cônico do rolo Personalizada. Desde 1999 que atuamos como representantes dos fabricantes chineses de rolamentos, exportando diversos tipos de rolamentos. Hoje, tornámo-nos um grupo abrangente de rolamentos, integrando vendas e fabrico.

Aplicações Industriais

Os rolamentos também desempenham um papel muito importante nas máquinas agrícolas. Eles são usado...

Os rolamentos são amplamente utilizados em automóveis. Eles são as principais partes de apoio e r...

Usado para suporte, altura, ângulo, junta e partes rotativas de equipamentos médicos.

Usado para apoio, rotação, motor e compressor de aparelhos domésticos.

Usado para rotação e movimento de suporte e guia partes do equipamento de automação

Nas estruturas de construção, os rolamentos podem ser usados ​​para conectar diferentes component...

No processo de produção de alimentos e bebidas, são necessárias bombas para transportar líquidos ...

Os rolamentos são usados ​​em aeronaves e motores de naves espaciais para suportar componentes ro...

Notícias e Informações

Saiba Mais

2025-10-30

Application and Selection Recommendations of Deep Groov...
The deep groove ball bearing is the workhorse of the electric motor industry, serving as a critical component in everything from small appliance motors to large industrial drives. Its versatility, rel...

2025-10-24

Deep Groove Ball Bearing Installation Direction and Pre...
Proper installation is the most critical factor determining the performance, accuracy, and service life of a deep groove ball bearing. Unlike tapered roller bearings, a common point of confusion surro...

2025-10-17

How to Judge the Service Life and Wear Degree of Deep G...
Deep groove ball bearings are among the most common and versatile bearing types, found in everything from small electric motors to heavy industrial machinery. Their reliability is critical, but like a...

Contate-nos

SUBMIT

Consultoria Técnica

  • Shanghai Yinin Rolice and Transmission Company

    Soluções Personalizadas

  • Shanghai Yinin Rolice and Transmission Company

    I&D Contínuo

  • Shanghai Yinin Rolice and Transmission Company

    Controlo de Qualidade

  • Shanghai Yinin Rolice and Transmission Company

    Suporte Técnico e Formação

  • Shanghai Yinin Rolice and Transmission Company

    Resposta Rápida

Se tiver alguma dúvida técnica ou feedback, forneceremos a resposta mais profissional possível!

Contate-nos