31300 Series Rolamento cônico do rolo
31300 Series Rolamento cônico do rolo
31300 Series Rolamento cônico do rolo

31300 Series

Os rolamentos de rolos cônicos da série 31300 estão rolando rolamentos com alta capacidade de carga de carga e excelente resistência ao desgaste, e são amplamente utilizados em vários equipamentos e máquinas industriais. Esta série de rolamentos adota um design de rolo cônico e pode suportar cargas radiais e axiais. É adequado para uso em ambientes de operação de alta e alta velocidade. Suas características estruturais incluem superfícies de contato cônicas nos anéis interno e externo, garantindo um ajuste preciso entre rolos e pistas, reduzindo assim o atrito e a geração de calor. O material dos rolamentos da série 31300 é geralmente aço de liga de alta qualidade que é tratado térmico para aumentar a dureza e a durabilidade. Além disso, esse rolamento também possui boas capacidades de auto-alinhamento, que podem compensar os desvios causados ​​por instalação inadequada ou flexão do eixo, prolongando sua vida útil. As áreas de aplicação comuns incluem a indústria automotiva, máquinas de mineração, equipamentos metalúrgicos e aeroespacial.

Enviar Consulta

Parâmetros do Produto

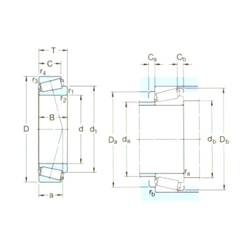
Designumção Dimensões principais (mm) Classificações básicas de carga (KN) Pu Classificações de velocidade (rpm) Peso (kg) ISO335 Dimensões (mm) Dimensões de pilar e filete (mm) Valor
D1 D B DYC (CR) STC (COR) Classificações de velocidade Velocidade limitadora Dimensões (Abma) d D1 ~ B C R1,2 (min) R3,4 (min) a Da (Max) dB (min) Da (min) Da (Max) DB (min) CA (min) CB (min) RA (Max) RB (Max) e Y Yo
31305J2 25 62 18,25 38 40 4,4 7500 11000 0,26 7fb 25 45,8 17 13 1,5 1,5 20 34 32 47 55 59 3 5 1,5 1,5 0,83 0,72 0,4
31306J2/q 30 72 20,75 55 50 5,7 7500 9500 0,39 7fb 30 52,7 19 14 1,5 1,5 22 40 37 55 65 68 3 6,5 1,5 1,5 0,83 0,72 0,4
31307J2/q 35 80 22,75 71 67 7,8 6300 8500 0,52 7fb 35 59,6 21 15 2 1,5 25 45 44 62 71 76 3 7,5 2 1,5 0,83 0,72 0,4
31308J2/QCL7C 40 90 25,25 85 81,5 9,5 5600 7500 0,72 7fb 40 67,1 23 17 2 1,5 28 51 49 71 81 86 3 8 2 1,5 0,83 0,72 0,4
31309J2/QCL7C 45 100 27,25 106 102 12,5 5000 6700 0,95 7fb 45 74,7 25 18 2 1,5 31 57 53 79 91 95 4 9 2 1,5 0,83 0,72 0,4
31310J2/QCL7C 50 110 29,25 122 120 14,3 4500 6000 1,20 7fb 50 81,5 27 19 2,5 2 34 62 60 87 100 104 4 10 2 2 0,83 0,72 0,4
31311J2/QCl7C 55 120 31,5 140 137 16,6 4300 5600 1,55 7fb 55 88,4 29 21 2,5 2 37 68 65 94 112 113 4 10,5 2 2 0,83 0,72 0,4
31312J2/QCL7C 60 130 33,5 166 166 20,4 3800 5300 1,90 7fb 60 95,9 31 22 3 2,5 39 74 72 103 118 123 5 11,5 2,5 2 0,83 0,72 0,4
31313J2/QCL7C 65 140 36 190 193 23,6 3600 4800 2,35 7 GB 65 103 33 23 3 2,5 42 80 77 111 128 132 5 13 2,5 2 0,83 0,72 0,4
31314J2/QCL7C 70 150 38 216 220 27 3400 4500 2,95 7 GB 70 110 35 25 3 2,5 45 85 82 118 138 141 5 13 2,5 2 0,83 0,72 0,4
31315J2/QCL7C 75 160 40 240 245 29 3200 4300 3,50 7 GB 75 116 37 26 3 2,5 48 91 87 127 148 151 6 14 2,5 2 0,83 0,72 0,4
31316J1/QCL7C 80 170 42,5 260 265 32 3000 4000 4.05 7 GB 80 124 39 27 3 2,5 52 97 92 134 158 159 6 15,5 2,5 2 0,83 0,72 0,4
31317J2 85 180 44,5 242 285 33,5 2600 3800 4,60 7 GB 85 131 41 28 4 3 55 103 99 143 166 169 6 16,5 3 2,5 0,83 0,72 0,4
31318J2 90 190 46,5 264 315 36,5 2400 3400 5,90 7 GB 90 138 43 30 4 3 57 109 105 151 176 179 5 16,5 3 2,5 0,83 0,72 0,4
31319J2 95 200 49,5 292 355 39 2400 3400 6,95 7 GB 95 145 45 32 4 3 60 114 110 157 186 187 5 17,5 3 2,5 0,83 0,72 0,4
31320XJ2/CL7CVQ051 100 215 56,5 430 465 51 2400 3000 8,60 7 GB 100 158 51 35 4 3 65 121 115 168 201 202 7 21,5 3 2,5 0,83 0,72 0,4
31322XJ2 110 240 63 457 585 62 1900 2800 12,0 7 GB 110 176 57 38 4 3 72 135 125 188 226 224 7 25 3 2,5 0,83 0,72 0,4
31324XJ2 120 260 68 539 695 73,5 1700 2400 15,5 7 GB 120 190 62 42 4 3 78 145 135 203 245 244 9 26 3 2,5 0,83 0,72 0,4
31326XJ2 130 280 72 605 780 81,5 1600 2400 18,5 7 GB 130 204 66 44 5 4 84 157 150 218 263 261 8 28 4 3 0,83 0,72 0,4
31328XJ2 140 300 77 693 900 88 1500 2200 24,5 7 GB 140 219 70 47 5 4 90 169 160 235 283 280 9 30 4 3 0,83 0,72 0,4
31330XJ2 150 320 82 781 1020 100 1400 2000 29,5 7 GB 150 234 75 50 5 4 96 181 170 251 303 300 9 32 4 3 0,83 0,72 0,4

Sobre Yinin

Shanghai Yinin Rolice and Transmission Company Fundada em 2009, com mais de 20 anos de experiência na área dos rolamentos, somos um Fabricante 31300 Series Rolamento cônico do rolo Chinês e fornecemos Fábrica 31300 Series Rolamento cônico do rolo Personalizada. Desde 1999 que atuamos como representantes dos fabricantes chineses de rolamentos, exportando diversos tipos de rolamentos. Hoje, tornámo-nos um grupo abrangente de rolamentos, integrando vendas e fabrico.

Aplicações Industriais

Os rolamentos também desempenham um papel muito importante nas máquinas agrícolas. Eles são usado...

Os rolamentos são amplamente utilizados em automóveis. Eles são as principais partes de apoio e r...

Usado para suporte, altura, ângulo, junta e partes rotativas de equipamentos médicos.

Usado para apoio, rotação, motor e compressor de aparelhos domésticos.

Usado para rotação e movimento de suporte e guia partes do equipamento de automação

Nas estruturas de construção, os rolamentos podem ser usados ​​para conectar diferentes component...

No processo de produção de alimentos e bebidas, são necessárias bombas para transportar líquidos ...

Os rolamentos são usados ​​em aeronaves e motores de naves espaciais para suportar componentes ro...

Notícias e Informações

Saiba Mais

2025-10-30

Application and Selection Recommendations of Deep Groov...
The deep groove ball bearing is the workhorse of the electric motor industry, serving as a critical component in everything from small appliance motors to large industrial drives. Its versatility, rel...

2025-10-24

Deep Groove Ball Bearing Installation Direction and Pre...
Proper installation is the most critical factor determining the performance, accuracy, and service life of a deep groove ball bearing. Unlike tapered roller bearings, a common point of confusion surro...

2025-10-17

How to Judge the Service Life and Wear Degree of Deep G...
Deep groove ball bearings are among the most common and versatile bearing types, found in everything from small electric motors to heavy industrial machinery. Their reliability is critical, but like a...

Contate-nos

SUBMIT

Consultoria Técnica

  • Shanghai Yinin Rolice and Transmission Company

    Soluções Personalizadas

  • Shanghai Yinin Rolice and Transmission Company

    I&D Contínuo

  • Shanghai Yinin Rolice and Transmission Company

    Controlo de Qualidade

  • Shanghai Yinin Rolice and Transmission Company

    Suporte Técnico e Formação

  • Shanghai Yinin Rolice and Transmission Company

    Resposta Rápida

Se tiver alguma dúvida técnica ou feedback, forneceremos a resposta mais profissional possível!

Contate-nos