Os rolamentos de esferas em miniatura de flange da série métrica são um tipo de rolamento amplamente utilizado em máquinas de precisão, especialmente adequadas para equipamentos com espaço limitado e requisitos de alto desempenho. Tais rolamentos são normalmente fabricados a partir de materiais de alta qualidade para garantir sua durabilidade e estabilidade. Seu design de flange fornece suporte adicional, facilita a instalação e também pode reduzir efetivamente o deslocamento do rolamento durante a operação. Os principais recursos desse mini rolamento de esferas incluem um baixo coeficiente de atrito, alta capacidade de velocidade de rotação e excelente capacidade de carga de carga. Eles são adequados para uma variedade de aplicações, como ferramentas elétricas, robôs, impressoras e pequenos motores. Em termos de design, os rolamentos de esferas de flange da série métrica também prestam atenção aos detalhes e geralmente estão disponíveis em diferentes tamanhos e configurações para atender às necessidades de diferentes equipamentos. Os rolamentos geralmente são pré-lubrificados ou selados.
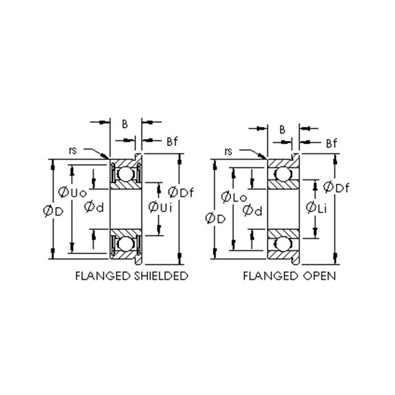
Parâmetros do Produto
| Número do produto | Tipo de rolamento | Dimensões (mm) | Classificação básica de carga (n) | |||||
| d | D | B | Df | BF | Classificação de carga dinâmica (CR) | Classificação de carga estática (COR) | ||
| F691 | Rolamentos de esferas de flange | 1 | 4 | 1.6 | 5 | 0.5 | 120 | 30 |
| MF41X | Rolamentos de esferas de flange | 1.2 | 4 | 1.8 | 4.8 | 0.4 | 95 | 26 |
| F681X | Rolamentos de esferas de flange | 1.5 | 4 | 1.2 | 5 | 0.4 | 95 | 26 |
| F681XZZ | Rolamentos de esferas flangeadas seladas | 1.5 | 4 | 2 | 5 | 0.6 | 95 | 26 |
| F691X | Rolamentos de esferas de flange | 1.5 | 5 | 2 | 6.5 | 0.6 | 144 | 40 |
| F691XZZ | Rolamentos de esferas flangeadas seladas | 1.5 | 5 | 2.6 | 6.5 | 0.8 | 144 | 40 |
| F601X | Rolamentos de esferas de flange | 1.5 | 6 | 2.5 | 7.5 | 0.6 | 281 | 79 |
| F601XZZ | Rolamentos de esferas flangeadas seladas | 1.5 | 6 | 3 | 7.5 | 0.8 | 281 | 79 |
| F682 | Rolamentos de esferas de flange | 2 | 5 | 1.5 | 6.1 | 0.5 | 144 | 40 |
| F682 2RS | Rolamentos de esferas flangeadas seladas | 2 | 5 | 1.5 | 6.1 | 0.5 | 144 | 40 |
| F682ZZ | Rolamentos de esferas flangeadas seladas | 2 | 5 | 2.3 | 6.1 | 0.6 | 144 | 40 |
| MF52 | Rolamentos de esferas de flange | 2 | 5 | 2 | 6.2 | 0.6 | 144 | 40 |
| MF52 2RS | Rolamentos de esferas flangeadas seladas | 2 | 5 | 2 | 6.2 | 0.6 | 144 | 40 |
| MF52ZZ | Rolamentos de esferas flangeadas seladas | 2 | 5 | 2.5 | 6.2 | 0.6 | 144 | 40 |
| F692 | Rolamentos de esferas de flange | 2 | 6 | 2.3 | 7.5 | 0.6 | 281 | 79 |
| F692 2RS | Rolamentos de esferas flangeadas seladas | 2 | 6 | 3 | 7.5 | 0.8 | 281 | 79 |
| F692ZZ | Rolamentos de esferas flangeadas seladas | 2 | 6 | 3 | 7.5 | 0.8 | 281 | 79 |
| MF62 | Rolamentos de esferas de flange | 2 | 6 | 2.5 | 7.2 | 0.6 | 281 | 79 |
| MF62 2RS | Rolamentos de esferas flangeadas seladas | 2 | 6 | 2.5 | 7.2 | 0.6 | 281 | 79 |
| Mf62zz | Rolamentos de esferas flangeadas seladas | 2 | 6 | 2.5 | 7.2 | 0.6 | 281 | 79 |
| MF72 | Rolamentos de esferas de flange | 2 | 7 | 2.5 | 8.2 | 0.6 | 328 | 103 |
| MF72 2RS | Rolamentos de esferas flangeadas seladas | 2 | 7 | 3 | 8.2 | 0.6 | 328 | 103 |
| MF72ZZ | Rolamentos de esferas flangeadas seladas | 2 | 7 | 3 | 8.2 | 0.6 | 328 | 103 |
| F602 | Rolamentos de esferas de flange | 2 | 7 | 2.8 | 8.5 | 0.7 | 328 | 103 |
| F602 2RS | Rolamentos de esferas flangeadas seladas | 2 | 7 | 2.8 | 8.5 | 0.7 | 328 | 103 |
| F602ZZ | Rolamentos de esferas flangeadas seladas | 2 | 7 | 3.5 | 8.5 | 0.9 | 328 | 103 |
| F682X | Rolamentos de esferas de flange | 2.5 | 6 | 1.8 | 7.1 | 0.5 | 178 | 59 |
| F682X 2RS | Rolamentos de esferas flangeadas seladas | 2.5 | 6 | 1.8 | 7.1 | 0.5 | 178 | 59 |
| F682XZZ | Rolamentos de esferas flangeadas seladas | 2.5 | 6 | 2.6 | 7.1 | 0.8 | 178 | 59 |
| F692X | Rolamentos de esferas de flange | 2.5 | 7 | 2.5 | 8.5 | 0.7 | 328 | 103 |
| F692X 2RS | Rolamentos de esferas flangeadas seladas | 2.5 | 7 | 3.5 | 8.5 | 0.9 | 328 | 103 |
| F692XZZ | Rolamentos de esferas flangeadas seladas | 2.5 | 7 | 3.5 | 8.5 | 0.9 | 328 | 103 |
| MF82X | Rolamentos de esferas de flange | 2.5 | 8 | 2.5 | 9.2 | 0.6 | 180 | 67 |
| MF82X 2RS | Rolamentos de esferas flangeadas seladas | 2.5 | 8 | 2.5 | 9.2 | 0.6 | 180 | 67 |
| Mf82xzz | Rolamentos de esferas flangeadas seladas | 2.5 | 8 | 2.5 | 9.2 | 0.6 | 180 | 67 |
| F602X | Rolamentos de esferas de flange | 2.5 | 8 | 2.8 | 9.5 | 0.7 | 469 | 142 |
| F602X 2RS | Rolamentos de esferas flangeadas seladas | 2.5 | 8 | 4 | 9.5 | 0.9 | 469 | 142 |
| F602XZZ | Rolamentos de esferas flangeadas seladas | 2.5 | 8 | 4 | 9.5 | 0.9 | 469 | 142 |
| MF63 | Rolamentos de esferas de flange | 3 | 6 | 2 | 7.2 | 0.6 | 178 | 59 |
| MF63 2RS | Rolamentos de esferas flangeadas seladas | 3 | 6 | 2 | 7.2 | 0.6 | 178 | 59 |
| MF63ZZ | Rolamentos de esferas flangeadas seladas | 3 | 6 | 2.5 | 7.2 | 0.6 | 178 | 59 |
| F683 | Rolamentos de esferas de flange | 3 | 7 | 2 | 8.1 | 0.5 | 264 | 90 |
| F683 2RS | Rolamentos de esferas flangeadas seladas | 3 | 7 | 3 | 8.1 | 0.8 | 264 | 90 |
| F683ZZ | Rolamentos de esferas flangeadas seladas | 3 | 7 | 3 | 8.1 | 0.8 | 264 | 90 |
| MF83 | Rolamentos de esferas de flange | 3 | 8 | 2.5 | 9.2 | 0.6 | 336 | 113 |
| MF83 2RS | Rolamentos de esferas flangeadas seladas | 3 | 8 | 2.5 | 9.2 | 0.6 | 336 | 113 |
| MF83ZZ | Rolamentos de esferas flangeadas seladas | 3 | 8 | 3 | 9.2 | 0.6 | 336 | 113 |
| F693 | Rolamentos de esferas de flange | 3 | 8 | 3 | 9.5 | 0.7 | 474 | 114 |
| F693 2RS | Rolamentos de esferas flangeadas seladas | 3 | 8 | 4 | 9.5 | 0.9 | 474 | 144 |
| F693ZZ | Rolamentos de esferas flangeadas seladas | 3 | 8 | 4 | 9.5 | 0.9 | 474 | 144 |
| MF93 | Rolamentos de esferas de flange | 3 | 9 | 2.5 | 10.2 | 0.6 | 485 | 151 |
| MF93 2R | Rolamentos de esferas flangeadas seladas | 3 | 9 | 2.5 | 10.2 | 0.6 | 485 | 151 |
| MF93ZZ | Rolamentos de esferas flangeadas seladas | 3 | 9 | 4 | 10.6 | 0.8 | 485 | 151 |
| F603 | Rolamentos de esferas de flange | 3 | 9 | 3 | 10.5 | 0.7 | 230 | 151 |
| F603 2RS | Rolamentos de esferas flangeadas seladas | 3 | 9 | 5 | 10.5 | 0.7 | 230 | 151 |
| F603ZZ | Rolamentos de esferas flangeadas seladas | 3 | 9 | 5 | 10.5 | 1 | 230 | 151 |
| F623 | Rolamentos de esferas de flange | 3 | 10 | 4 | 11.5 | 1 | 536 | 175 |
| F623 2rs | Rolamentos de esferas flangeadas seladas | 3 | 10 | 4 | 11.5 | 1 | 536 | 175 |
| F623ZZ | Rolamentos de esferas flangeadas seladas | 3 | 10 | 4 | 11.5 | 1 | 536 | 175 |
| MF74 | Rolamentos de esferas de flange | 4 | 7 | 2 | 8.2 | 0.6 | 264 | 92 |
| MF74 2RS | Rolamentos de esferas flangeadas seladas | 4 | 7 | 2 | 8.2 | 0.6 | 264 | 92 |
| MF74ZZ | Rolamentos de esferas flangeadas seladas | 4 | 7 | 2.5 | 8.2 | 0.6 | 217 | 86 |
| MF84 | Rolamentos de esferas de flange | 4 | 8 | 2 | 9.2 | 0.6 | 336 | 113 |
| MF84 2RS | Rolamentos de esferas flangeadas seladas | 4 | 8 | 2 | 9.2 | 0.6 | 336 | 113 |
| MF84ZZ | Rolamentos de esferas flangeadas seladas | 4 | 8 | 3 | 9.2 | 0.6 | 336 | 113 |
| F684 | Rolamentos de esferas de flange | 4 | 9 | 2.5 | 10.3 | 0.6 | 545 | 182 |
| F684 2RS | Rolamentos de esferas flangeadas seladas | 4 | 9 | 4 | 10.3 | 1 | 545 | 182 |
| F684ZZ | Rolamentos de esferas flangeadas seladas | 4 | 9 | 4 | 10.3 | 1 | 545 | 182 |
| MF104 | Rolamentos de esferas de flange | 4 | 10 | 3 | 11.2 | 0.6 | 604 | 218 |
| MF104 2RS | Rolamentos de esferas flangeadas seladas | 4 | 10 | 4 | 11.6 | 0.8 | 604 | 218 |
| MF104ZZ | Rolamentos de esferas flangeadas seladas | 4 | 10 | 4 | 11.6 | 0.8 | 604 | 218 |
| F694 | Rolamentos de esferas de flange | 4 | 11 | 4 | 12.5 | 1 | 814 | 280 |
| F694 2RS | Rolamentos de esferas flangeadas seladas | 4 | 11 | 4 | 12.5 | 1 | 814 | 280 |
| F694ZZ | Rolamentos de esferas flangeadas seladas | 4 | 11 | 4 | 12.5 | 1 | 814 | 280 |
| F604 | Rolamentos de esferas de flange | 4 | 12 | 4 | 13.5 | 1 | 814 | 280 |
| F604 2RS | Rolamentos de esferas flangeadas seladas | 4 | 12 | 5 | 13.5 | 1 | 814 | 280 |
| F604ZZ | Rolamentos de esferas flangeadas seladas | 4 | 12 | 5 | 13.5 | 1 | 814 | 280 |
| F624 | Rolamentos de esferas de flange | 4 | 13 | 5 | 15 | 1 | 1106 | 390 |
| F624 2RS | Rolamentos de esferas flangeadas seladas | 4 | 13 | 5 | 15 | 1 | 1106 | 390 |
| F624ZZ | Rolamentos de esferas flangeadas seladas | 4 | 13 | 5 | 15 | 1 | 1106 | 390 |
| F634 | Rolamentos de esferas de flange | 4 | 16 | 5 | 18 | 1 | 1139 | 418 |
| F634 2RS | Rolamentos de esferas flangeadas seladas | 4 | 16 | 5 | 18 | 1 | 1139 | 418 |
| F634ZZ | Rolamentos de esferas flangeadas seladas | 4 | 16 | 5 | 18 | 1 | 1139 | 418 |
| MF85 | Rolamentos de esferas de flange | 5 | 8 | 2 | 9.2 | 0.6 | 262 | 96 |
| MF85 2RS | Rolamentos de esferas flangeadas seladas | 5 | 8 | 2.5 | 9.2 | 0.6 | 185 | 72 |
| MF85ZZ | Rolamentos de esferas flangeadas seladas | 5 | 8 | 2.5 | 9.2 | 0.6 | 185 | 72 |
| MF95 | Rolamentos de esferas de flange | 5 | 9 | 2.5 | 10.2 | 0.6 | 366 | 135 |
| MF95 2RS | Rolamentos de esferas flangeadas seladas | 5 | 9 | 3 | 10.2 | 0.6 | 366 | 135 |
| MF95ZZ | Rolamentos de esferas flangeadas seladas | 5 | 9 | 3 | 10.2 | 0.6 | 366 | 135 |
| MF105 | Rolamentos de esferas de flange | 5 | 10 | 3 | 11.2 | 0.6 | 366 | 135 |
| MF105 2RS | Rolamentos de esferas flangeadas seladas | 5 | 10 | 4 | 11.6 | 0.8 | 366 | 135 |
| MF105ZZ | Rolamentos de esferas flangeadas seladas | 5 | 10 | 4 | 11.6 | 0.8 | 366 | 135 |
| MF115 2RS | Rolamentos de esferas flangeadas seladas | 5 | 11 | 4 | 12.6 | 0.8 | 609 | 226 |
| MF115ZZ | Rolamentos de esferas flangeadas blindadas | 5 | 11 | 4 | 12.6 | 0.8 | 609 | 226 |
| MF115 | Rolamentos de esferas de flange | 5 | 11 | 4 | 12.6 | 0.8 | 609 | 226 |
| F685 | Rolamentos de esferas de flange | 5 | 11 | 3 | 12.5 | 0.8 | 609 | 226 |
| F685 2RS | Rolamentos de esferas flangeadas seladas | 5 | 11 | 5 | 12.5 | 1 | 609 | 226 |
| F685ZZ | Rolamentos de esferas flangeadas seladas | 5 | 11 | 5 | 12.5 | 1 | 609 | 226 |
| F695 | Rolamentos de esferas de flange | 5 | 13 | 4 | 15 | 1 | 916 | 346 |
| F695 2RS | Rolamentos de esferas flangeadas seladas | 5 | 13 | 4 | 15 | 1 | 916 | 346 |
| F695ZZ | Rolamentos de esferas flangeadas seladas | 5 | 13 | 4 | 15 | 1 | 916 | 346 |
| F605 | Rolamentos de esferas de flange | 5 | 14 | 5 | 16 | 1 | 1130 | 406 |
| F605 2RS | Rolamentos de esferas flangeadas seladas | 5 | 14 | 5 | 16 | 1 | 1130 | 406 |
| F605ZZ | Rolamentos de esferas flangeadas seladas | 5 | 14 | 5 | 16 | 1 | 1130 | 406 |
| F625 | Rolamentos de esferas de flange | 5 | 16 | 5 | 18 | 1 | 1470 | 540 |
| F625 2rs | Rolamentos de esferas flangeadas seladas | 5 | 16 | 5 | 18 | 1 | 1470 | 540 |
| F625ZZ | Rolamentos de esferas flangeadas seladas | 5 | 16 | 5 | 18 | 1 | 1470 | 540 |
| F635 | Rolamentos de esferas de flange | 5 | 19 | 6 | 22 | 1.5 | 1986 | 717 |
| F635 2rs | Rolamentos de esferas flangeadas seladas | 5 | 19 | 6 | 22 | 1.5 | 1986 | 717 |
| F635ZZ | Rolamentos de esferas flangeadas seladas | 5 | 19 | 6 | 22 | 1.5 | 1986 | 717 |
| MF106 | Rolamentos de esferas de flange | 6 | 10 | 2.5 | 11.2 | 0.6 | 422 | 174 |
| MF106 2RS | Rolamentos de esferas flangeadas seladas | 6 | 10 | 3 | 11.2 | 0.6 | 422 | 174 |
| MF106ZZ | Rolamentos de esferas flangeadas seladas | 6 | 10 | 3 | 11.2 | 0.6 | 422 | 174 |
| MF126 | Rolamentos de esferas de flange | 6 | 12 | 3 | 13.2 | 0.6 | 609 | 236 |
| MF126 2RS | Rolamentos de esferas flangeadas seladas | 6 | 12 | 4 | 13.6 | 0.8 | 609 | 236 |
| MF126ZZ | Rolamentos de esferas flangeadas seladas | 6 | 12 | 4 | 13.6 | 0.8 | 609 | 236 |
| F686 | Rolamentos de esferas de flange | 6 | 13 | 3.5 | 15 | 1 | 920 | 354 |
| F686 2RS | Rolamentos de esferas flangeadas seladas | 6 | 13 | 5 | 15 | 1.1 | 920 | 354 |
| F686ZZ | Rolamentos de esferas flangeadas seladas | 6 | 13 | 5 | 15 | 1.1 | 920 | 354 |
| F696 | Rolamentos de esferas de flange | 6 | 15 | 5 | 17 | 1.2 | 1139 | 418 |
| F696 2RS | Rolamentos de esferas flangeadas seladas | 6 | 15 | 5 | 17 | 1.2 | 1139 | 418 |
| F696ZZ | Rolamentos de esferas flangeadas seladas | 6 | 15 | 5 | 17 | 1.2 | 1139 | 418 |
| F606 | Rolamentos de esferas de flange | 6 | 17 | 6 | 19 | 1.2 | 1924 | 677 |
| F606 2RS | Rolamentos de esferas flangeadas seladas | 6 | 17 | 6 | 19 | 1.2 | 1924 | 677 |
| F606ZZ | Rolamentos de esferas flangeadas seladas | 6 | 17 | 6 | 19 | 1.2 | 1924 | 677 |
| F626 | Rolamentos de esferas de flange | 6 | 19 | 6 | 22 | 1.5 | 1986 | 717 |
| F626 2RS | Rolamentos de esferas flangeadas seladas | 6 | 19 | 6 | 22 | 1.5 | 1986 | 717 |
| F626ZZ | Rolamentos de esferas flangeadas seladas | 6 | 19 | 6 | 22 | 1.5 | 1986 | 717 |
| MF117 | Rolamentos de esferas de flange | 7 | 11 | 2.5 | 12.2 | 0.6 | 387 | 162 |
| MF117 2RS | Rolamentos de esferas flangeadas seladas | 7 | 11 | 3 | 12.2 | 0.6 | 387 | 162 |
| MF117ZZ | Rolamentos de esferas flangeadas seladas | 7 | 11 | 3 | 12.2 | 0.6 | 387 | 162 |
| MF137 | Rolamentos de esferas de flange | 7 | 13 | 3 | 14.2 | 0.6 | 460 | 221 |
| MF137 2RS | Rolamentos de esferas flangeadas seladas | 7 | 13 | 4 | 14.6 | 0.8 | 460 | 221 |
| MF137ZZ | Rolamentos de esferas flangeadas seladas | 7 | 13 | 4 | 14.6 | 0.8 | 460 | 221 |
| F687 | Rolamentos de esferas de flange | 7 | 14 | 3.5 | 16 | 1 | 997 | 410 |
| F687 2RS | Rolamentos de esferas flangeadas seladas | 7 | 14 | 5 | 16 | 1.1 | 997 | 410 |
| F687ZZ | Rolamentos de esferas flangeadas seladas | 7 | 14 | 5 | 16 | 1.1 | 997 | 410 |
| F697 | Rolamentos de esferas de flange | 7 | 17 | 5 | 19 | 1.2 | 1364 | 575 |
| F697 2RS | Rolamentos de esferas flangeadas seladas | 7 | 17 | 5 | 19 | 1.2 | 1364 | 575 |
| F697ZZ | Rolamentos de esferas flangeadas seladas | 7 | 17 | 5 | 19 | 1.2 | 1364 | 575 |
| F607 | Rolamentos de esferas de flange | 7 | 19 | 6 | 22 | 1.5 | 1986 | 717 |
| F607 2RS | Rolamentos de esferas flangeadas seladas | 7 | 19 | 6 | 22 | 1.5 | 1986 | 717 |
| F607ZZ | Rolamentos de esferas flangeadas seladas | 7 | 19 | 6 | 22 | 1.5 | 1986 | 717 |
| F627 | Rolamentos de esferas de flange | 7 | 22 | 7 | 25 | 1.5 | 2794 | 1103 |
| F627 2RS | Rolamentos de esferas flangeadas seladas | 7 | 22 | 7 | 25 | 1.5 | 2794 | 1103 |
| F627ZZ | Rolamentos de esferas flangeadas seladas | 7 | 22 | 7 | 25 | 1.5 | 2794 | 1103 |
| MF128 | Rolamentos de esferas de flange | 8 | 12 | 2.5 | 13.2 | 0.6 | 462 | 219 |
| MF128 2RS | Rolamentos de esferas flangeadas seladas | 8 | 12 | 3.5 | 13.6 | 0.8 | 462 | 219 |
| MF128ZZ | Rolamentos de esferas flangeadas seladas | 8 | 12 | 3.5 | 13.6 | 0.8 | 462 | 219 |
| MF148 | Rolamentos de esferas de flange | 8 | 14 | 3.5 | 15.6 | 0.8 | 695 | 309 |
| MF148 2RS | Rolamentos de esferas flangeadas seladas | 8 | 14 | 4 | 15.6 | 0.8 | 695 | 309 |
| MF148ZZ | Rolamentos de esferas flangeadas seladas | 8 | 14 | 4 | 15.6 | 0.8 | 695 | 309 |
| F688 | Rolamentos de esferas de flange | 8 | 16 | 4 | 18 | 1 | 1064 | 474 |
| F688 2RS | Rolamentos de esferas flangeadas seladas | 8 | 16 | 5 | 18 | 1.1 | 1064 | 474 |
| F688ZZ | Rolamentos de esferas flangeadas seladas | 8 | 16 | 5 | 18 | 1.1 | 1064 | 474 |
| F698 | Rolamentos de esferas de flange | 8 | 19 | 6 | 22 | 1.5 | 1902 | 734 |
| F698 2RS | Rolamentos de esferas flangeadas seladas | 8 | 19 | 6 | 22 | 1.5 | 1902 | 734 |
| F698ZZ | Rolamentos de esferas flangeadas seladas | 8 | 19 | 6 | 22 | 1.5 | 1902 | 734 |
| F608 | Rolamentos de esferas de flange | 8 | 22 | 7 | 25 | 1.5 | 2799 | 1103 |
| F608 2RS | Rolamentos de esferas flangeadas seladas | 8 | 22 | 7 | 25 | 1.5 | 2799 | 1103 |
| F608ZZ | Rolamentos de esferas flangeadas seladas | 8 | 22 | 7 | 25 | 1.5 | 2799 | 1103 |
| F679 | Rolamentos de esferas de flange | 9 | 14 | 3 | 15.5 | 0.8 | 781 | 374 |
| F679 2RS | Rolamentos de esferas flangeadas seladas | 9 | 14 | 4.5 | 15.5 | 0.8 | 781 | 374 |
| F679ZZ | Rolamentos de esferas flangeadas seladas | 9 | 14 | 4.5 | 15.5 | 0.8 | 781 | 374 |
| F689 | Rolamentos de esferas de flange | 9 | 17 | 4 | 19 | 1 | 1128 | 534 |
| F689 2RS | Rolamentos de esferas flangeadas seladas | 9 | 17 | 5 | 19 | 1.1 | 1128 | 534 |
| F689zz | Rolamentos de esferas flangeadas seladas | 9 | 17 | 5 | 19 | 1.1 | 1128 | 534 |
| F699 | Rolamentos de esferas de flange | 9 | 20 | 6 | 23 | 1.5 | 2097 | 865 |
| F699 2RS | Rolamentos de esferas flangeadas seladas | 9 | 20 | 6 | 23 | 1.5 | 2097 | 865 |
| F699ZZ | Rolamentos de esferas flangeadas seladas | 9 | 20 | 6 | 23 | 1.5 | 2097 | 865 |
| F609 | Rolamentos de esferas de flange | 9 | 24 | 7 | 27 | 1.5 | 2853 | 1155 |
| F609 2RS | Rolamentos de esferas flangeadas seladas | 9 | 24 | 7 | 27 | 1.5 | 2853 | 1155 |
| F609ZZ | Rolamentos de esferas flangeadas seladas | 9 | 24 | 7 | 27 | 1.5 | 2853 | 1155 |
Sobre Yinin
Aplicações Industriais
Notícias e Informações
Contate-nos
Consultoria Técnica
Soluções Personalizadas
I&D Contínuo
Controlo de Qualidade
Suporte Técnico e Formação
Resposta Rápida
Se tiver alguma dúvida técnica ou feedback, forneceremos a resposta mais profissional possível!